Screw Compressor

SRC Series

Semi-hermetic Screw Compressor

40-160 Hp | 140-535 m³/h | 50Hz

SRC Series Compressor

Technical Data (Medium, High & Low Temperature)

High efficiency Compressor with rated power of 40 to 160 HP and displacement of 140 to 533 m3/h.

MODEL Displacement 50 Hz [m3/hr] Weight [Kg] Pipe connections Discharge Line Pipe connections Suction Line Capacity steps nominal [%] Power supply Max Current     A Max Power      kW
[mm] [inch.] [mm] [inch.]
VRC 40140 140 235 42 15/8’’ 54 21/8’’ 100/75/50   380 V ± 10% Δ/Δ Δ~3/50 Hz 440 V ± 10% Δ/Δ Δ~3/60 Hz         65 40
VRC 50140 240 100/85/60 79 50
VRC 50165 165 240 100/75/45 79 50
VRC 60165 250 100/80/55 98 65
VRC 60200 192 300 54 21/8’’ 76 31/8’’ 100/80/65 98 65
VRC 70200 305 100/75/45 124 75
VRC 70220 220 310 100/75/60 124 75
VRC 80220 315 100/70/40 144 85
VRC 75250 250 330 100/75/55 144 85
VRC 90250 340 100/60/40 162 92
VRC 110315 315 565 76 31/8’’ DN100 DN100 100/75/50 180 110
VRC 125360 360 575 100/75/50 216 130
VRC 140410 410 580 100/75/50 246 150
VRC 125410 575 100/75/50 216 130
VRC 160535 315 605 100/75/50 260    170
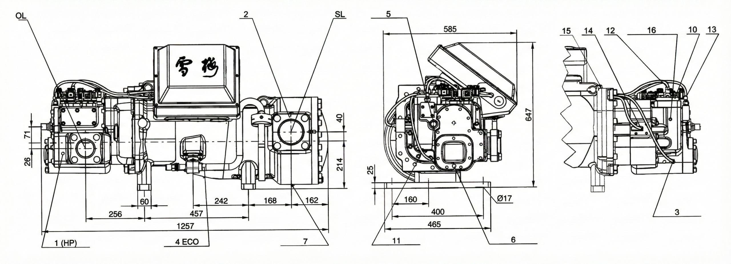
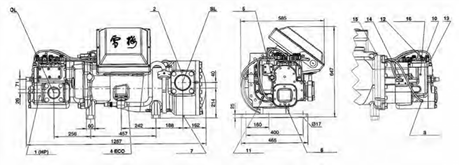
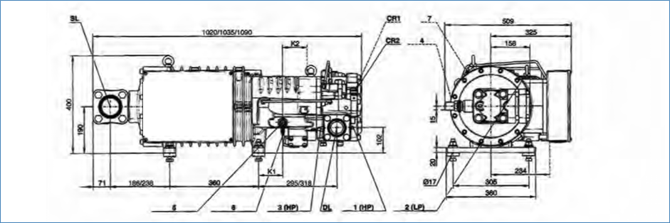
Component Diagram

Notes

  • For the selection of relay, cable and fuses, the MRA must be considered.
  • Oil cooler assembling is optional.

General Dimensions & Connections

4000-VRC-140 5000- VRC-140 5000- VRC-165 6000-VRC-165

Dimension A
Compressor Model 6000-VRC-200 7000-VRC-200 7000-VRC-220 8000-VRC-220 7500-VRC-250 9000-VRC-250
  • High pressure connector
  • Low pressure connector
  • Discharge temperature sensor
  • Economizer/liquid injection
  • Oil spray
  • Oil pressure connector
  • Threaded hole for fix
Dimension B
Compressor Model 1100-VRC-315 12500-VRC-360 1400-VRC-410 12500-VRC-410 1600-VRC-535
  • High pressure connector
  • Low pressure connector
  • Discharge temperature sensor
  • Economizer/liquid injection
  • Oil spray
  • Oil discharge port of compression chamber
  • Oil discharge port of motor chamber
  • Oil filter maintenance interface
  • Oil discharge port of oil filter
  • Oil shut-off valve/rotation monitor
  • Oil filter monitor
  • Oil flow switch
  • Body grouding bolt
  • Pressure release connector of oil filter chamber

Technical data

R-134a Medium and High temperature application limit

R-404A Medium and Low temperature application limit

Medium & High Temp

R134a Graph
Operating Characteristics of Refrigeration Compressor

Medium & Low Temp

R404A Graph

Legend:

  • Usual use
  • Liquid injection
  • With liquid injection and oil cooler

* Limits refer to full load operation. Condensation/Evaporation Temperature [°C].